您好,欢迎进入深圳市闪创智能科技有限公司官网!

深圳市闪创智能科技有限公司

一站式防爆监控产品提供商

提供专业定制、设计、生产、销售、售后服务一条龙服务

137 2375 1150
深圳市闪创智能科技有限公司

案例展示

最新资讯
联系我们

深圳市闪创智能科技有限公司
联系人:赵先生
手机: 137 2375 1150
电话: 0755-83342968
地址:深圳市龙岗区布吉街道茂业社区茂业城怡丰楼1、2单元

设计案例展示
您的位置: 首页 > 案例展示 > 设计案例展示
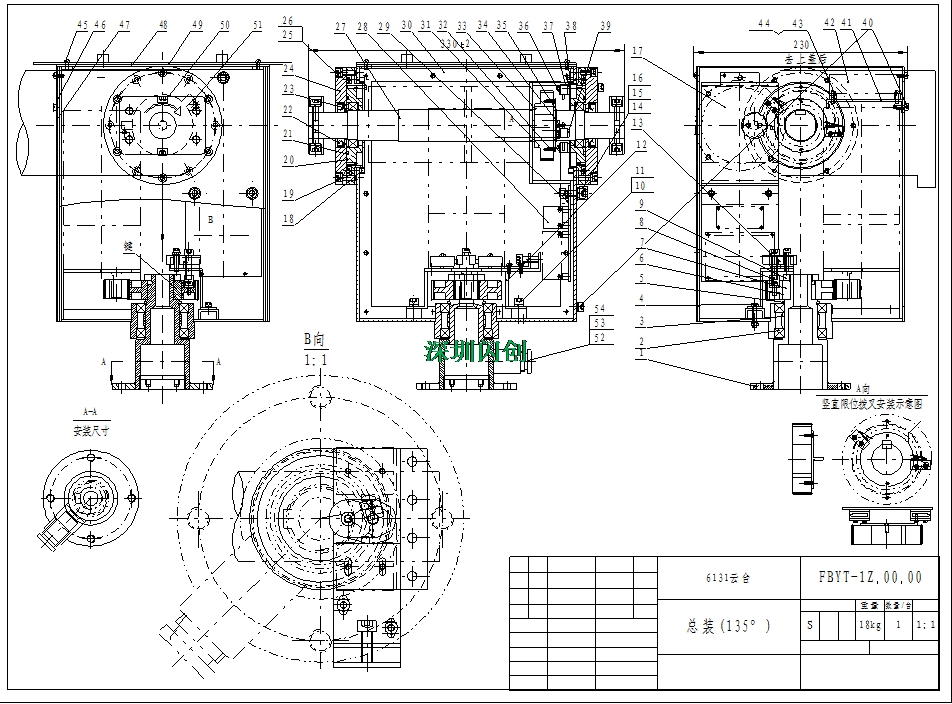
重载云台(承重100kg)
发布时间:2021-02-28浏览次数:4464

2019年9月为海洋王灯具有限公司设计的重载云台(承重100kg)


你觉得这篇文章怎么样?

0 0
标签:全部
网友评论

管理员

该内容暂无评论

局域网网友
在线客服
热线电话
137 2375 1150
0755-83342968
深圳市闪创智能科技有限公司微信扫一扫